other
Ürün:% s
Ev değiştirmek tuşu kaydır Dik Açı 2 Seyahat 4P2T Sürgülü Anahtar

Dik Açı 2 Seyahat 4P2T Sürgülü Anahtar

4P2T sürgülü anahtar, iki kararlı anahtarlama durumuyla dört bağımsız devreyi aynı anda kontrol ederek, kompakt uygulamalarda verimli çok yollu devre seçimine olanak tanır.

  • Marka:

    Gangyuan
  • Eşya yok.:

    SK42D02-EG4
  • Sipariş (MOQ):

    1000
  • Ödeme:

    100% before production
  • Ürün kökenli:

    Wenzhou
  • Renk:

    Black
  • Nakliye limanı:

    Ningbo or Shenzhen
  • Kurşun zamanı:

    7-15 working days
  • Genişlik

    15.00mm x 4.70mm
  • Montaj tipi

    Right Angle
  • aydınlatma

    Non-llluminated
  • IP derecelendirme

    No IP Rating
  • Ürün ayrıntısı

PCB Montajlı Minyatür Kayar Anahtar


Tipik Özellikler


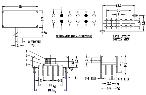
Tip: Delikli sürgülü anahtarlar

Derecelendirmeler: 0.3A 50V

Çalışma Gücü: 250±100gf

Tam Hareket: 2±0,2 mm

Çalışma ömrü: 10.000 döngü

Kayar anahtar düğmesi: 4mm

Çalışma Sıcaklık Aralığı: -20℃~70℃


Kayar anahtar boyutları

Mikro 2P2T Kayar Anahtar


Özellik


4P2T Sürgülü Anahtarın Temel Özellikleri (Özlü ve Birleştirilmiş)


1. 4 Devre Kontrollü (4P - 4 Kutup)

Dört bağımsız devreyi aynı anda yönetir, karmaşık çok yollu uygulamalar için idealdir.

2. 2 Sabit Pozisyon (2T - 2 Atış)

İki sabit anahtarlama durumu (örneğin AÇIK/KAPALI veya mod seçimi) sunarak güvenilir devre yönlendirmesi sağlar.

3. Hassas Çoklu Yol Kontrolü

Endüstriyel, ses veya otomotiv sistemlerinde yaygın olarak kullanılan, 2 konfigürasyonda 4 devrenin eş zamanlı olarak anahtarlanmasını sağlar.

4. Kompakt ve Dayanıklı

Yüksek frekanslı veya zorlu çevre koşullarında kullanıma uygun, sağlam kaydırma mekaniğine sahip, yerden tasarruf sağlayan tasarım.

5. Çok Yönlü Uygulamalar

LED kontrol cihazları, motor sürücüleri veya sinyal yönlendiricileri gibi çoklu devre cihazları için idealdir.



mesaj bırakın

Eğer Ürünlerimizle ilgileniyorsunuz ve daha fazla ayrıntı bilmek istiyorsanız, lütfen buraya bir mesaj bırakın, size en kısa sürede cevap vereceğiz Can.

ilgili ürünler
 Slide Switch
SPDT Delikli Kayar Anahtar

Kolay Yapı, Mini Gövde, 3 Terminal, Dikey Sap, 1 Kutuplu 3 Pozisyonlu, Kayar Düğmeli Aktüatör.

Slide Switch
Mini yatay kaydırağı anahtarı 3 konum

Yatay kaydırağı anahtarı, dalga veya V şeklinin topuzu, 1 kutuplu 3 konum, PCB Montaj.

Slide Switch
yüzey montajı SMD tuşu kaydır

SMD Tip Slayt Anahtarı, Minyatür Gövde, Kolayca Kolu, Yüzey Montajlı Tasarım Terminali, Makara için uygulanabilir. Ambalaj.

Slide Switch
SPDT Beyaz düğmeli mini slayt anahtarı

Yan Kumandalı Beyaz Topuz, Bir Kutup İki Atış, PCB Montaj tasarımı, 3 terminal, makarada kabul edilebilir Ambalaj.

Slide Switch
2p3t Taraflı Taraf SMD tuşu kaydır

Yan Kumandalı Knob, 2p3t Tip, 8 terminal, PCB için mini şekli, ayrıca DIY için harika bir bileşenler.

slide switch
2p3t Ses ürünleri için mini slayt anahtarları

2p3t Ses ürünleri için mini slayt anahtarları,Kolay yapı, mini gövde, 8 terminal, dikey sap, 2 kutuplu 2 konum, sürgülü düğme Aktüatör.

slide switch
6 Pozisyon PCB mini SMD tuşu kaydır

MSK-01-B: 7.1mmx3.5mm, 180gf, 2p2t Tip Slayt Anahtar.

slide switch
8 yollu mini pcb SMD DC6V 2p3t tuşu kaydır

MSK-01Q: 9.9mmx3.2mm , 180gf / 250gf, 2p3t Tip Slayt Anahtar.

Telif hakkı © 2026 Wenzhou Gangyuan Electronics Co., Ltd.. Tüm hakları Saklıdır. Güç

IPv6 ağı desteklendi

üst

mesaj bırakın

mesaj bırakın

    Eğer Ürünlerimizle ilgileniyorsunuz ve daha fazla ayrıntı bilmek istiyorsanız, lütfen buraya bir mesaj bırakın, size en kısa sürede cevap vereceğiz Can.

  • #
  • #
  • #
  • #
    Görüntüyü yenile