other
Ürün:% s
Ev değiştirmek tuşu kaydır 6 Pinli 2 Kutuplu 2 Atışlı Geçiş Anahtarı

6 Pinli 2 Kutuplu 2 Atışlı Geçiş Anahtarı

2P2T Kayar Anahtarlar, salınımlı bir işlemle iki bağımsız devre için (örneğin, açma/kapama, mod seçimi) iki durumlu anahtarlama sağlayan çift kutuplu çift atışlı (2 Kutup 2 Atış) bir kontrol anahtarıdır, çift devrelerin senkronize kontrolünü gerektiren senaryolar için idealdir.

  • Marka:

    Gangyuan
  • Eşya yok.:

    SS22E01-EG4
  • Sipariş (MOQ):

    1000
  • Ödeme:

    100% before production
  • Ürün kökenli:

    Wenzhou
  • Renk:

    Black
  • Nakliye limanı:

    Ningbo or Shenzhen
  • Kurşun zamanı:

    7-15 working days
  • Genişlik

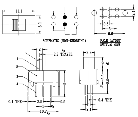
    11.10mm x 6.20mm
  • Montaj tipi

    Through Hole
  • aydınlatma

    Non-llluminated
  • IP derecelendirme

    No IP Rating
  • Ürün ayrıntısı

Oyuncaklar İçin ON-ON DPDT Kayar Metal Anahtar


Tipik Özellikler


Tip: 2 konumlu sürgülü anahtarlar

Derecelendirmeler: DC50V 0,5A

Çalışma Gücü: 250±100gf

Tam Hareket: 2,2±0,2 mm

Zamanlama: Kısa pozisyon açılmıyor

Çalışma ömrü: 10.000 döngü

Kayar anahtar düğmesi: 4mm

Pratik Sıcaklık Aralığı: -20℃~+70℃


Kayar anahtar boyutları

Kısa devre yapmayan sürgülü anahtarlar


Geçiş Anahtarı Girişi


Geçiş anahtarı, anahtar kolunu çevirerek bir devreyi açıp kapatan bir cihazdır. Yaygın geçiş anahtarı türleri şunlardır:

tek kutuplu, çift konumlu, tek kutuplu, üç konumlu, çift kutuplu ve üç konumlu. Genellikle düşük voltajlı uygulamalarda kullanılır.

devreler ve esnek sürgü hareketi ve istikrarlı ve güvenilir performans özelliklerine sahiptir. Geçiş anahtarları çeşitli uygulamalarda yaygın olarak kullanılır.

aletler/ölçerler, çeşitli elektrikli oyuncaklar, faks makineleri, ses ekipmanları, tıbbi ekipmanlar, güzellik ekipmanları ve diğer elektronik ürünler.



mesaj bırakın

Eğer Ürünlerimizle ilgileniyorsunuz ve daha fazla ayrıntı bilmek istiyorsanız, lütfen buraya bir mesaj bırakın, size en kısa sürede cevap vereceğiz Can.

ilgili ürünler
 Slide Switch
SPDT Delikli Kayar Anahtar

Kolay Yapı, Mini Gövde, 3 Terminal, Dikey Sap, 1 Kutuplu 3 Pozisyonlu, Kayar Düğmeli Aktüatör.

Slide Switch
Mini yatay kaydırağı anahtarı 3 konum

Yatay kaydırağı anahtarı, dalga veya V şeklinin topuzu, 1 kutuplu 3 konum, PCB Montaj.

Slide Switch
yüzey montajı SMD tuşu kaydır

SMD Tip Slayt Anahtarı, Minyatür Gövde, Kolayca Kolu, Yüzey Montajlı Tasarım Terminali, Makara için uygulanabilir. Ambalaj.

Slide Switch
SPDT Beyaz düğmeli mini slayt anahtarı

Yan Kumandalı Beyaz Topuz, Bir Kutup İki Atış, PCB Montaj tasarımı, 3 terminal, makarada kabul edilebilir Ambalaj.

Slide Switch
2p3t Taraflı Taraf SMD tuşu kaydır

Yan Kumandalı Knob, 2p3t Tip, 8 terminal, PCB için mini şekli, ayrıca DIY için harika bir bileşenler.

slide switch
2p3t Ses ürünleri için mini slayt anahtarları

2p3t Ses ürünleri için mini slayt anahtarları,Kolay yapı, mini gövde, 8 terminal, dikey sap, 2 kutuplu 2 konum, sürgülü düğme Aktüatör.

slide switch
6 Pozisyon PCB mini SMD tuşu kaydır

MSK-01-B: 7.1mmx3.5mm, 180gf, 2p2t Tip Slayt Anahtar.

slide switch
8 yollu mini pcb SMD DC6V 2p3t tuşu kaydır

MSK-01Q: 9.9mmx3.2mm , 180gf / 250gf, 2p3t Tip Slayt Anahtar.

Telif hakkı © 2026 Wenzhou Gangyuan Electronics Co., Ltd.. Tüm hakları Saklıdır. Güç

IPv6 ağı desteklendi

üst

mesaj bırakın

mesaj bırakın

    Eğer Ürünlerimizle ilgileniyorsunuz ve daha fazla ayrıntı bilmek istiyorsanız, lütfen buraya bir mesaj bırakın, size en kısa sürede cevap vereceğiz Can.

  • #
  • #
  • #
  • #
    Görüntüyü yenile