
2p2t 6 pin dikey anlık el feneri sürgülü anahtarı
Marka:
GangyuanEşya yok.:
SS12F15Sipariş (MOQ):
10pcsÖdeme:
100% T/T Before ProductionÜrün kökenli:
Zhejiang, China (Mainland)Renk:
blackNakliye limanı:
Ningbo/ShenzhenKurşun zamanı:
7-15 working days after payment
2p2t 6 pin dikey anlık el feneri sürgülü anahtarı
Temel Bilgiler
Yaşam döngüleri | 5.000 döngü |
Derecelendirme | DC50V 0,5A |
İşlev | 2P2T |
Seyahat | 2,25 mm |
İşletme gücü | 250gf±100gf |
Temas direnci | 50mΩ Maksimum |
Yalıtım direnci |
100MΩ Min
|
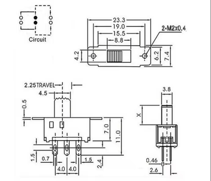
Boyut
Bizim avantajımız
1. Fabrikada 100'den fazla var 20 yıllık deneyim anahtar imalatı alanında.
2. Kategorilerin çeşitliliği. 2000'den fazla model .
3. Kaliteli. Japonya ve Güney Kore'den ithal edilen hammaddeler kullanılıyor.
Ürün otomasyonlu üretim kapsamının %85'inden fazlası .
4. Mükemmel Ar-Ge ekibi , Müşterilerimizin tasarım istekleri memnuniyetle karşılanmaktadır.
5. İki bin buluş patenti ve 47 faydalı model patenti.
6. Montaj süreci 100.000 derece tozsuz atölye.
7. TS16949, ISO9001, ISO14001, OHSA18001 sistemine sahip olmak.
8. Satış sonrası servis ekibi. Küresel radyasyonun birden fazla servis noktası.
Başvuru
Sürgülü anahtar, aktüatörünü (anahtar kolunu) çevirerek devreyi açıp kapatmak için kullanılır. Esnek sürgülü mekanizma, istikrarlı ve güvenilir performans özelliklerine sahiptir ve elektrikli ev aletleri, makineler, iletişim, dijital ses ve görüntü, bina otomasyonu ve elektronik ürünlerde yaygın olarak kullanılır.
SSS
1. S: Üretici misiniz/fabrika mısınız? Konumunuz nedir?
A: Evet, Shenzhen, Zhejiang, Hubei eyaletinde bulunan üç fabrika.
2. S: Sipariş vermeden önce ücretsiz numune alabilir miyim? Minimum Sipariş Miktarı?
A: Evet, ücretsiz numuneler 3~5 gün içinde hazır olacaktır. MOQ1.000 adet.
3. S: Teslimat süresi nedir?
A: Kararlı teslimat. 7-15 iş günü.
4. S: Ödeme koşulları nasıl?
A: T/T, L/C, Paypal, Nakit vb.
5. S: Ürünleri tasarım çizimine göre özelleştirebilir misiniz?
A: Shezhen'de bağımsız bir Ar-Ge merkezimiz var, ODM/OME projeleri memnuniyetle karşılanır.
6.S: Teslimattan önce tüm mallarınızı test ediyor musunuz?
C: Evet, teslimattan önce %100 test yapıyoruz.
Önceki:
dik açılı slayt anahtarıSonraki:
1p3t tuşu kaydırEğer Ürünlerimizle ilgileniyorsunuz ve daha fazla ayrıntı bilmek istiyorsanız, lütfen buraya bir mesaj bırakın, size en kısa sürede cevap vereceğiz Can.
Kategoriler
yeni ürünler
Açık delikli Dip 4 kutuplu 6*6 incelik anahtarı Devamını oku
6x6mm Yüzeye montaj Kırmızı incelik anahtar düğmesi Devamını oku
Kırmızı Yeşil Sarı Turuncu Mavi Beyaz LED Halka Anlık Anahtarı Devamını oku
t125/55 DPST kilitlemeli basmalı düğme anahtarı Devamını oku
Braketi Cont Anahtarı Dokunsal Anahtarı DIP Push Anahtarı Devamını oku
Telif hakkı © 2025 Wenzhou Gangyuan Electronics Co., Ltd.. Tüm hakları Saklıdır. Güç
IPv6 ağı desteklendi