
12 tip ince döner kodlayıcı, dönüş açısını, pozisyonu, hızı veya yönü algılamak için kullanılan belirli bir tip veya seri ince döner kodlayıcıdır.
Marka:
GangyuanEşya yok.:
GE1202-D1-F8.8/2-24PSipariş (MOQ):
100Ödeme:
100% T/T Before ProductionÜrün kökenli:
ChinaRenk:
Black and WhiteNakliye limanı:
WenZhou/ShenzhenKurşun zamanı:
7-14 Working Days For PaymentGenişlik
14.00mm x 13.20mmMontaj tipi
Through Holeaydınlatma
Non-llluminatedIP derecelendirme
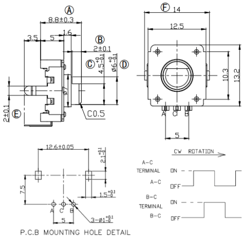
No IP RatingEC12 Delikli Mekanik Panel Montajlı Döner Kodlayıcı
Parametreler
Tip: Basmalı Düğme Anahtarı Olmadan Dikey Döner Kodlayıcı
Çalışma Sıcaklık Aralığı: -40±2 °C ila +70 °C
Depolama Sıcaklık Aralığı: -40 °C ila +85 °C
Mil dönüş yönü: 24P
Çözünürlük: 24 darbe/360°
Tetik sayısı ve konumu: 24 tetik
Çizim
Artımlı Kodlayıcı Nedir?
Artımlı kodlayıcı, dönen bir şaftın göreceli konumunu, yönünü ve hızını darbe sinyalleri (örneğin faz A ve faz B) çıkışıyla algılayan bir sensördür.
Doğrudan mutlak konum bilgisi sağlayamasa da basit yapı, düşük maliyet ve hızlı tepki süresi gibi avantajlara sahiptir. Endüstriyel otomasyonda yaygın olarak kullanılır.
motor kontrolü, enstrümantasyon ve mutlak pozisyon gereksinimlerinin yüksek olmadığı diğer uygulamalar.
• Nabız genellikle 12 ve 24'ü kullanır
• Mil çekirdeğinin uzunluğu ve şekli seçilebilir
Eğer Ürünlerimizle ilgileniyorsunuz ve daha fazla ayrıntı bilmek istiyorsanız, lütfen buraya bir mesaj bırakın, size en kısa sürede cevap vereceğiz Can.
Kategoriler
yeni ürünler
Açık delikli Dip 4 kutuplu 6*6 incelik anahtarı Devamını oku
6x6mm Yüzeye montaj Kırmızı incelik anahtar düğmesi Devamını oku
Kırmızı Yeşil Sarı Turuncu Mavi Beyaz LED Halka Anlık Anahtarı Devamını oku
t125/55 DPST kilitlemeli basmalı düğme anahtarı Devamını oku
Braketi Cont Anahtarı Dokunsal Anahtarı DIP Push Anahtarı Devamını oku
Telif hakkı © 2025 Wenzhou Gangyuan Electronics Co., Ltd.. Tüm hakları Saklıdır. Güç
IPv6 ağı desteklendi